C Band 4 Port Linear Polarization Duplexer.pdf
C Band 4 port linear polarization Duplexer
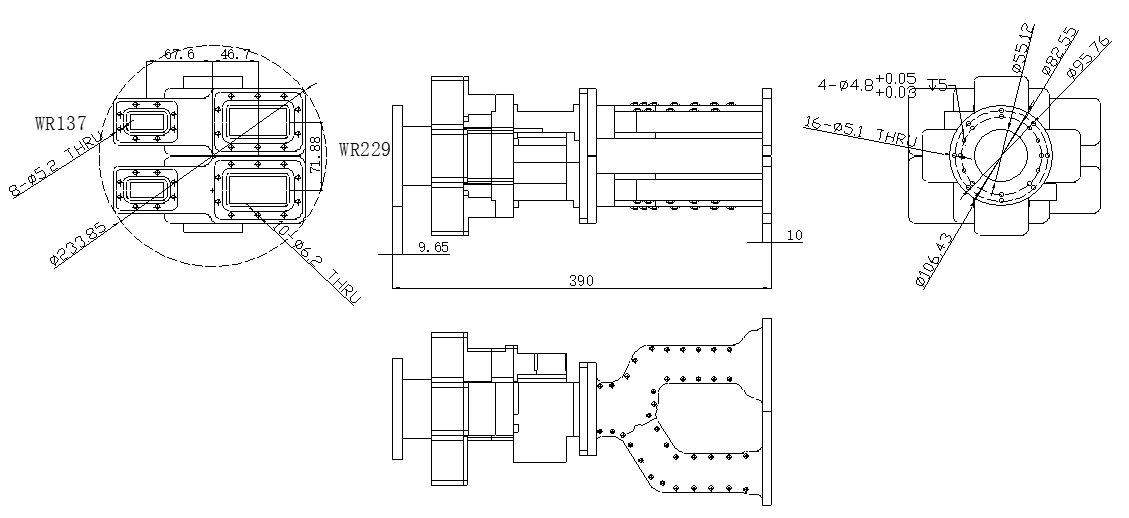
【Product introduction】:
Contains OMT and 2 duplexers.
【Technical indicators】:
1. FREQUENCY:3.40~4.20GHz (Rx)
5.85~6.725GHz(Tx)
2. VSWR:1.25:1 MAX
3. INSERTION LOSS:0.35dB MAX
4. ISOLATION:Tx/Rx 85dB MIN
Rx/Tx 85dB MIN
Rx/Rx 40dB MIN
Tx/Tx 40dB MIN
5. CROSSPOL:40dB MIN
6. Interface:WR229(Rx), WR137(Tx)
7. PRESSURIZATION:SEALED TO 2.0PSIG
8. POWER HANDLING:5000W
9. WEIGHT:5.8KG
10. STRUCTURE:
